Ó¢¹ú365¼¯ÍŹÙÍø

ÖÐÎİæ

English

ËÑË÷
FalconScan-30º¸½ÓÕñ¾µ
²úÆ·ÐÅÏ¢
µä·¶Ó¦ÓÃ

 

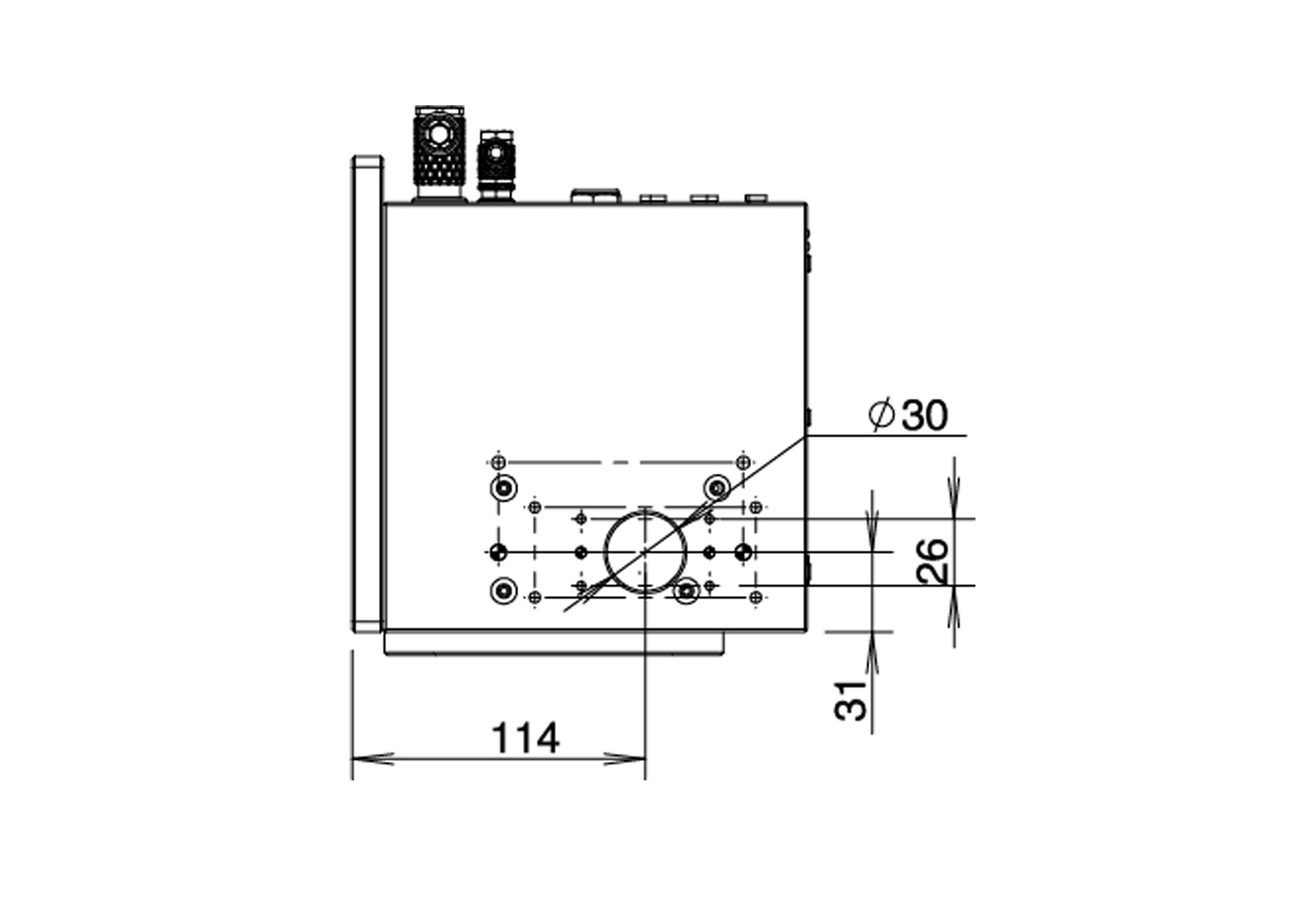
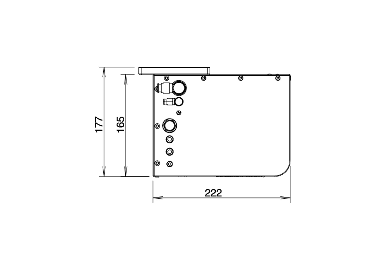
Ö÷ÒªÉèÖÃ

Ö÷ÒªÉèÖÃ

²ÎÊý

ÐͺÅ

FalconScan-30

ÈëÉä¹â°ß

30mm

×·ËæÎó²î

0.53ms

ÖØ¸´¾«¶È

<1μrad

ÁãÎ»Æ¯ÒÆ

<15μrad/KÎÞË®Àä / <10μrad/KÓÐË®Àä
ÔöÒæÆ¯ÒÆ

<8ppm/K

8Ð¡Ê±Æ¯ÒÆ

<0.04mrad

1%È«ÐгÌ

1.2ms

10%È«ÐгÌ

4.2ms

¼Ó¹¤ËÙÂÊ

0.7m/s 

¶¨Î»ËÙÂÊ

3m/s

С×Ö·ûËÙÂÊ

High quality 130cps / Good quality 200cps
ɨÃè½Ç¶È

±0.35rad

ÔöÌíÎó²î

<5mrad

ÁãλÎó²î

<5mrad

¶¨Î»ÔëÉùRMS

<1μrad
·ÇÏßÐÔ¶È

<0.1% 

¹©µçµçÔ´

±15V DC£¬≥5A

ͨѶ½Ó¿Ú

XY2-100 Enhanced£»JCZ24-100

ÊÂÇéζÈ

25±10¡æ

ÀäÈ´·½·¨

Ë®Àä»ò·çÀä

*×¢: µä·¶²ÎÊý£¬¿ÉÒÔÆ¾Ö¤¹¤ÒÕÐèÇó×÷¶¨ÖƵ÷У 

 

µä·¶Ó¦ÓÃ

FalconScanº¸½ÓÕñ¾µ¿ÉÓÃÓÚÐÂÄÜԴ﮵硢3Cµç×Ó¡¢°×³µÉíº¸½Ó¡¢Ë«¼«°åº¸½Ó¡¢±âÏßµç»úµÈ¡£

JCZ

JCZ

JCZ

JCZ

JCZ

*×¢: ²¿·ÖÍ¼Ô´ÍøÂ磬ÈôÓÐÇÖȨ£¬Çë¼û¸æÉ¾³ý 

Ïà¹Ø²úÆ·

ÉÏÒ»Ò³
1

ÁªÏµÓ¢¹ú365¼¯ÍŹÙÍø

µç»°

ÌìÏÂͳһ·þÎñÈÈÏß

µç»°£º010-64426993
ÓÊÏ䣺market@bjjcz.com

¶þ´Î¿ª·¢ÓÊÏ䣺 dev@bjjcz.com

·µÐÞ£º±±¾©ÊÐ˳ÒåÇø±±ÎñÕòÃñ̩·13ºÅÔº15ºÅÂ¥4²ã

¹ÉƱ´úÂ룺688291

΢ÐŹ«ÖÚºÅ

΢ÐŹ«ÖÚºÅ

΢ÐŹ«ÖÚºÅ

¶¶ÒôÆóÒµºÅ

·þÎñÖ§³Ö

·þÎñÖ§³Ö

Ó¢¹ú365¼¯ÍŹÙÍø

µØÖ·£º±±¾©ÊÐ˳ÒåÇø±±ÎñÕòÃñ̩·13ºÅÔº22ºÅÂ¥

ËÕÖÝÓ¢¹ú365¼¯ÍŹÙÍø¼¤¹âÊÖÒÕÓÐÏÞ¹«Ë¾ 

µØÖ·£º½­ËÕÊ¡ËÕÖÝÊл¢ÇðÇø¿Æ¼¼³ÇÀ콭·56ºÅ3Â¥

¹ã¶«Ó¢¹ú365¼¯ÍŹÙÍø¿Æ¼¼ÓÐÏÞ¹«Ë¾

µØÖ·£º¹ã¶«Ê¡¶«Ý¸ÊÐå¼²½ÕòÈʾÓ·1ºÅËɺþÖǹÈÑз¢ÖÐÐÄA4¶°1002ÊÒ

Ó¢¹ú365¼¯ÍŹÙÍøÎ人·Ö¹«Ë¾

µØÖ·£ººþ±±Ê¡Î人Êж«ºþ¸ßÐÂÇø´óѧ԰·»ª¹¤¿Æ¼¼Ô°ÏÖ´ú·þÎñÒµ»ùµØ1ºÅÂ¥B×ù1101

°æÈ¨ËùÓÐ ? 2022 Ó¢¹ú365¼¯ÍŹÙÍø       ¾©ICP±¸18045191ºÅ-1

  ÍøÕ¾½¨É裺ÖÐÆó¶¯Á¦ ±±¾©

ÍøÕ¾µØÍ¼